Your country has been recognized as

Finland

, below you can find the list of distributors in your Country with products on stock. If your location was recognized incorrectly or you want to change Country, choose from the drop-down list.

Detailed information for: DCA0011990P0001

This page contains technical data sheet, documents library and links to offering related to this product. If you require any other information, please contact us using form located at the bottom of the page.

Data Sheet
Downloads

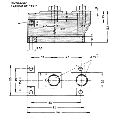
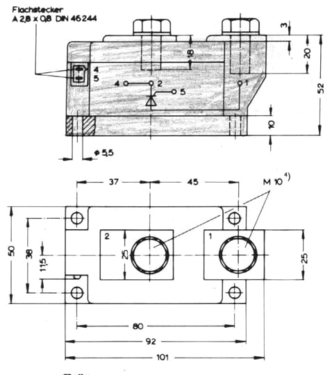
DCA0011990P0001

General Information

  • Product ID:
    DCA0011990P0001
  • ABB Type Designation:
    SKET 400/16E
  • Catalog Description:
    SKET 400/16E; THYRISTOR MODULE
  • Long Description:
    SKET 400/16E

Categories

Ordering

  • Core Credit:
    0.00
  • Country of Origin:
    Germany (DE)
  • Customs Tariff Number:
    85413000
  • Invoice Description:
    THYRISTOR MODULE
  • Made To Order:
    No
  • Minimum Order Quantity:
    1 piece
  • Order Multiple:
    1 piece
  • Quote Only:
    No
  • Selling Unit of Measure:
    piece

Dimensions

  • Product Net Weight:
    0.85 kg
  • Package Level 1 Units:
    1 piece

Technical

  • Frame Size:
    Spare_Parts

Additional Information

  • Product Name:
    THYRISTOR MODULE

Classifications

  • UNSPSC:
    32111700

Environmental

  • WEEE Category:
    Product Not in WEEE Scope
  • Contact us

    Submit your inquiry and we will contact you

    Contact us
Select region / language

Popular links